|
|
|
产品特点
1. 可直接驱动24V/15A以内直流无刷电机
2. 支持无刷电机内置霍尔开关做位置检测
技术参数

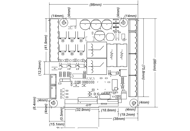
外形尺寸

操作说明

菜单使用说明
1. 数码管显示“--”时,长按【菜单】键3秒进入菜单,进入菜单后数码管显示“F-XX”
2. 按【△】或【▽】键可选择菜单
3. 按【菜单】可进入子项,按【△】或【▽】键可修改参数
4. 在子菜单中,可以按【菜单】确认参数并返回主菜单
5. 在子菜单中,可以长按【菜单】保存参数并退出菜单
6. 在主菜单中,可以长按【菜单】保存参数并退出菜单
7. 长按【菜单】键3秒保存参数并退出菜单,数码管显示"--"
8. 10秒内没有任何动作,则自动退出菜单,并且恢复原有设置
开门关门操作说明
1. 按【△】开门
2. 按【▽】关门
3. 按【菜单】停
4. 如果尚未学习行程,则需要按【▽】或者按【△】学习行程
面板显示说明

遥控学习与删除
1. 数码管显示“--”时,长按【遥控/学习】键1秒进入菜单,进入菜单后数码管显示“L-”
2. 按【△】或【▽】键可选择菜单
3. 当数码管显示“L-00”时,按【遥控/学习】,退出菜单,数码管显示“--”
4. 任意状态下,长按【遥控/学习】都能退出菜单并保存,数码管显示“--”
5. 当数码管显示“L-01”时,按【遥控/学习】,此时“01”会持续闪烁,在闪烁期间(10秒),按下遥控器
任意键(推荐按停键)后,如果显示“L-__”,则证明学习成功。可重复该过程学习多个遥控器地址,如果学习
成功后,遥控器无反应,请参考第三条推出菜单后,重新进入学习
6. 当数码管显示“L-02”时,按【遥控/学习】,是删除遥控器地址,显示“L-__”操作成功
7. 当数码管显示“L-03”时,按【遥控/学习】,此时“03”会持续闪烁,在闪烁期间(20秒),触发组合码发射板后,如果显示“L-__”则证明学习成功,可重复该过程学习多个组合码发射板地址
8. 当数码管显示“L-04”时,按【遥控/学习】,是删除组合码地址,显示“L-__”操作成功
9. 当数码管显示“L-05”时,按【遥控/学习】,是时间小时的设置页面,显示“H1:XX”,通过【△】或【▽】
键操作“xx”的大小,设置完毕后,按【遥控/学习】,显示“L-__”修改成功
10. 当数码管显示“L-06”时,按【遥控/学习】,是时间分钟的设置页面,显示“H2:XX”,通过【△】或
【▽】键操作“xx”的大小,设置完毕后,按【遥控/学习】,显示“L-__”修改成功
11. 进入设置状态时,可按【菜单】退出到菜单状态
12. 10秒内没有任何动作,则自动退出菜单,并且恢复原有设置
菜单参数说明表

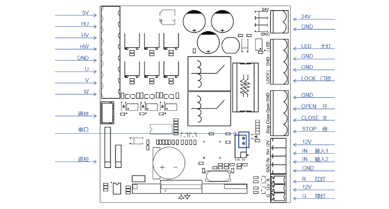
接线说明





