联系我们   Contact

指示灯板

更新:2022-03-21 11:45:16     点击:
  • 简述:   ※ 兼容国内大多数翼闸摆闸和三辊闸机指示灯,有多种显示选择
  • 型号:   
  • 在线订购
产品介绍

指示灯板(图1)

指示灯板(图2)

指示灯板(图3)


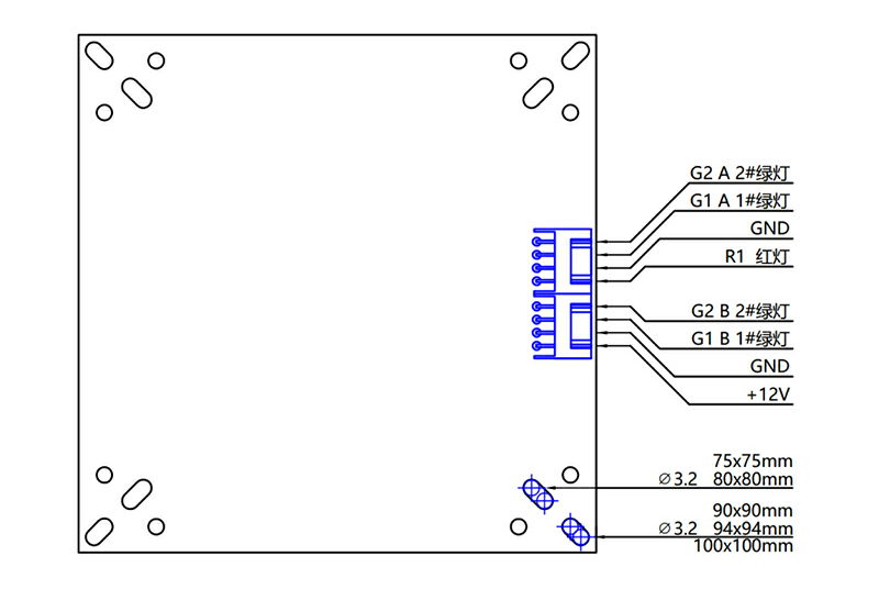
  外形尺寸  


指示灯板(图4)


  接线说明  

指示灯板(图5)


更多产品